您的位置:首页应用方案DZQ-B/L(BT-DZQ/B)、DZQ-B接触器辅助保持防晃电

DZQ-B/L(BT-DZQ/B)、DZQ-B接触器辅助保持防晃电

2025-07-15

DZQ-B(BT-DZQ/B)、DZQ-B/L针对故障类型主要以相邻线路故障引起的瞬时失压为主。随着主电网的环网化以及企业中压电网供电线路的增加,而企业为降低电耗不设阻抗隔离原件,这样,当主网或企业中压电网中相邻线路故障时无可避免的引起瞬间失压,失压时间取决于相邻线路故障的切除时间。对于中压线路短路故障的较短切除时间就是互感器退出饱和时间加断路器固有分断时间,约210ms。绝大多数瞬间失压几乎都是因相邻线路故障所致,时间就是切除故障时间,而交流接触器的失压脱扣时间应不大于3个周波,即小于60ms。所以是否能快速响应200ms以下的瞬时失压是解决防晃电的关键。

    DZQ-B(BT-DZQ/B) 接触器防晃电应用

    针对电源失压类型

    DZQ-B(BT-DZQ/B)、DZQ-B/L针对故障类型主要以相邻线路故障引起的瞬时失压为主。随着主电网的环网化以及企业中压电网供电线路的增加,而企业为降低电耗不设阻抗隔离原件,这样,当主网或企业中压电网中相邻线路故障时无可避免的引起瞬间失压,失压时间取决于相邻线路故障的切除时间。对于中压线路短路故障的较短切除时间就是互感器退出饱和时间加断路器固有分断时间,约210ms。绝大多数瞬间失压几乎都是因相邻线路故障所致,时间就是切除故障时间,而交流接触器的失压脱扣时间应不大于3个周波,即小于60ms。所以是否能快速响应200ms以下的瞬时失压是解决防晃电的关键。 

    性能概述:DZQ-B(BT-DZQ/B)、DZQ-B/L型控制器为故障安全型设计,对电压瞬时凹陷的响应时间在0秒以上无死区,可以快速检测到200ms以下的电源瞬时凹陷。DZQ-B、DZQ-B/L并联在接触器控制回路自保持接点,只有在被控制接触器因晃电而跳停后瞬间闭锁其运行指令,**0.5秒释放,若0.5秒内电源恢复,接触器将立即闭合,以接触器铁芯线圈吸合电压作为电压阀值判式,一般为70%以上;若0.5秒电源没有恢复,则其运行指令立即断开。DZQ-B(BT-DZQ/B)允许失压时间出厂前固化设置,较大不超过10秒,可根据具体工况确定。DZQ-B/L允许失压时间为0-20S,连续可调,在LED面板可方便设置参数及读取参数。其动作波形图如下所示:

     

    技术参数

    控制电压:220V/380    

    允许失压时间:0-10秒 

    瞬时电压凹陷响应时间: 0秒以上   无盲区

    继电器输出接点容量:8A/380Vac  (COSΦ=0.4)

    主继电器接点(ON):常开接点

    信号继电器接点(RUN):常开接点

    安装结构: 插拔式 - 控制电压:220V;固定式 - 控制电压:380V

    适用环境:   -20℃ --- +60℃

    设计使用寿命:10年 

     

    DZQ-B(BT-DZQ/B)与原控制系统的配合问题

    (1)适用于各类交流接触器。 

    (2)是附加并联在电动机起动回路上。 

    (3)不需要外接辅助控制电源。 

    (4)不改变原有控制电路方式和接线。 

    (5)不影响电动机的正常停机,不会造成误启动。 

    (6)原控制柜或MCC间隔内安装。

     

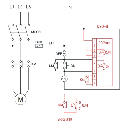
    DZQ-B(BT-DZQ/B)接线原理图

    部分图文转载自网络,版权归原作者所有,如有侵权请联系我们删除。如内容中如涉及加盟,投资请注意风险,并谨慎决策

    上一篇
    下一篇

    相关推荐

    400电话: 400-660-6114

    咨询电话:0755-83476819

    公司邮箱:273800614@qq.com / 2881974293@qq.com

    公司地址: 深圳市福田区福田街道皇岗社区益田路3008号皇都广场A栋3304室

    版权所有© 2004-2025 深圳市倍通控制技术有限公司  
    企业资质 技术支持: 万商云集