
400 660 6114


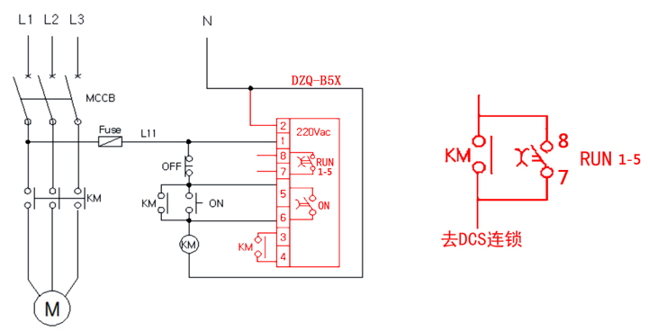
在DCS联锁控制的交流接触器、继电器回路中,有一对或多对状态信号连锁输出接点,当电网“晃电”电压闪降接触器、继电器跳停后,此常开接点也被断开,引起DCS相关联锁动作。
DZQ-B5X(BT-DZQ/B5X) DCS、PLC信号连锁防“晃电”应用
在DCS联锁控制的交流接触器、继电器回路中,有一对或多对状态信号连锁输出接点,当电网“晃电”电压闪降接触器、继电器跳停后,此常开接点也被断开,引起DCS相关联锁动作。
由电压闪降引起的“晃电”只是一个电压扰动过程,时间很短,此状态信号在“晃电”期间被强制闭锁不会给设备及生产安全带来不利影响。
DZQ电动机再起动控制器可提供一对或多对状态信号接点,用于晃电时在线闭锁交流接触器和中间继电器的状态信号输出接点,确保DCS/PLC系统不会因晃电而发出连锁跳车信号,从而保证整个装置正常连续运行。DZQ信号接点可以自动区分晃电停车和正常及故障停车状态,仅在晃电状态下才限时闭锁接触器的运行信号,正常停车或故障停车时,DZQ信号接点瞬时分断,不会影响DCS正常跳车连锁控制。
DZQ-B5X(BT-DZQ/B5X) 技术参数
| 控制电压 Uk: 220Vac |
| 主输出接点 ON : 常开接点 8A/ 440Vac(COSΦ=0.4) |
| 信号接点 RUN1-RUN5:5A 250Vac/30Vdc |
| 外形尺寸 固定式:110(长)×75(宽)×70.5(高)mm |
DZQ-B5X(BT-DZQ/B5X) 接线原理图

部分图文转载自网络,版权归原作者所有,如有侵权请联系我们删除。如内容中如涉及加盟,投资请注意风险,并谨慎决策