
400 660 6114


软启动器具有低电压自动复位功能,当遭遇电源瞬时失压时,则软启动器自动关闭,电源恢复后需人工起动才能恢复运行。软启动的防晃电控制是需在电源恢复后**发出再起动指令,但需正确区分晃电与正常停车的情况,只有在晃电时才发出再起动指令,避免误动作。
DZQ-CF/L 、DZQ-C(BT-DZQ/C) 软启动器防晃电应用
软启动器具有低电压自动复位功能,当遭遇电源瞬时失压时,则软启动器自动关闭,电源恢复后需人工起动才能恢复运行。软启动的防晃电控制是需在电源恢复后**发出再起动指令,但需正确区分晃电与正常停车的情况,只有在晃电时才发出再起动指令,避免误动作。
DZQ-CF/L 、DZQ-C(BT-DZQ/C) 产品概述
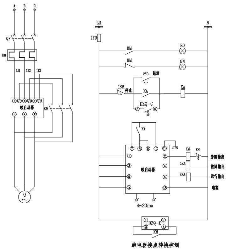
DZQ-CF/L、DZQ-C软起动器防晃电控制器,适用于380/220V控制电源系统,并联于软起动器的控制电路上,能准确地判别运行中软起动器是因电源失压而停止原由,仅在电源瞬时欠压“晃电”条件时才输出再重合指令,并且有和来电压阀值闭锁的功能,因此很可靠。 DZQ-CF/L系列继电电子一体化电路结构,**等同常规电磁继电器控制;内置超级电容后备工作电源,超长的使用寿命;双重化逻辑闭锁;具有牢靠的故障安全型特性;
DZQ-CF/L具有LED面板,可方便设置和读取参数,时间设置范围:0-20S,连续可调。同时,DZQ-CF/L具有复位功能,对一些需要复位再起动的软起动器、变频器抗晃电控制具有多重控制优势。
DZQ-C 具有指示灯显示,时间设置范围0-10S,参数固化。
DZQ-CF/L 、DZQ-C(BT-DZQ/C) 技术参数
| 安装方式:插拔式(10FF-2Z-C3型底座) |
| 控制电压 Uk: 220Vac |
| 重合电压阀值 Kv: ≥85% Uk |
| 输出接点能力:8A/ 440Vac(COSΦ=0.4) |
| 信号接点能力:5A 250Vac/30Vdc |
| 外形尺寸 插拔式(含底座):65(长)×50(宽)×100(高)mm |
DZQ-CF/L 、DZQ-C(BT-DZQ/C) 接线原理图

部分图文转载自网络,版权归原作者所有,如有侵权请联系我们删除。如内容中如涉及加盟,投资请注意风险,并谨慎决策