您的位置:首页应用方案DZQ-D(BT-DZQ/D) DCS闭锁控制软启动器防晃电

DZQ-D(BT-DZQ/D) DCS闭锁控制软启动器防晃电

2025-07-15

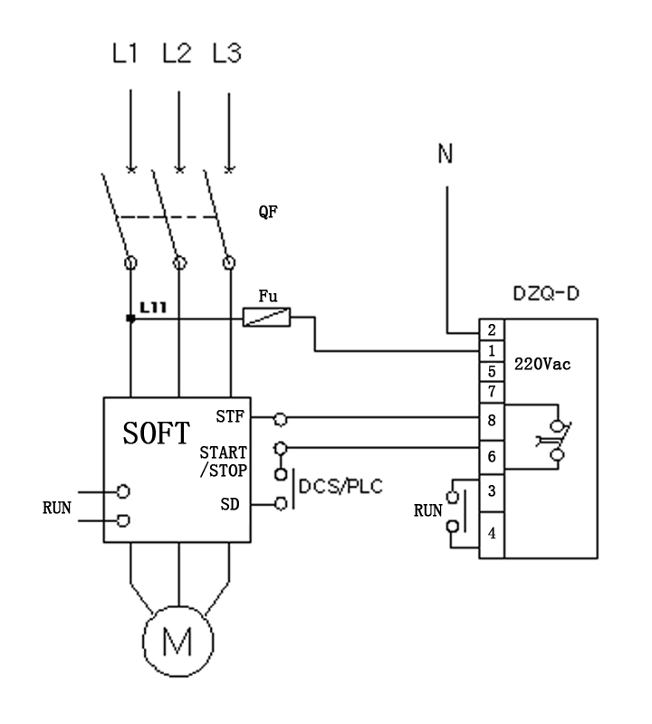
DZQ-D(BT-DZQ/D) 用于某些工艺DCS或者PLC直接闭锁控制的软启动器回路。用于输出一对常闭接点, 在电网瞬时欠压 “晃电”时,软启动器的运行指令被断开或保护动作后,该常闭接点瞬时断开,**闭合;当短时再来电时,为满足软启动器上电时限条件,控制器自动向软启动器**发出再起动闭合指令,从而保证软启动器可靠重新运行。

    DZQ-D(BT-DZQ/D)   DCS / PLC 直接闭锁控制软启动器防晃电应用

    DZQ-D(BT-DZQ/D) 用于某些工艺DCS或者PLC直接闭锁控制的软启动器回路。用于输出一对常闭接点, 在电网瞬时欠压 “晃电”时,软启动器的运行指令被断开或保护动作后,该常闭接点瞬时断开,**闭合;当短时再来电时,为满足软启动器上电时限条件,控制器自动向软启动器**发出再起动闭合指令,从而保证软启动器可靠重新运行。

    DZQ-D(BT-DZQ/D)   技术参数

     

    控制电压 Uk 220Vac
    重合电压阀值 Kv ≥85% Uk 
    允许失压时间TE  秒(**不超过10秒)
    输出接点 常闭接点,瞬时断开,**闭合   8A/ 440Vac(COSΦ=0.4) 
    外形尺寸 插拔式(含底座) 65(长)×50(宽)×100(高)mm 

     

    DZQ-D(BT-DZQ/D)   接线原理图

    部分图文转载自网络,版权归原作者所有,如有侵权请联系我们删除。如内容中如涉及加盟,投资请注意风险,并谨慎决策

    上一篇
    下一篇

    相关推荐

    400电话: 400-660-6114

    咨询电话:0755-83476819

    公司邮箱:273800614@qq.com / 2881974293@qq.com

    公司地址: 深圳市福田区福田街道皇岗社区益田路3008号皇都广场A栋3304室

    版权所有© 2004-2025 深圳市倍通控制技术有限公司  
    企业资质 技术支持: 万商云集